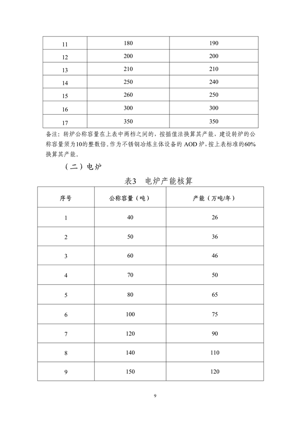
浙江省经济和信息化厅发布《浙江省钢铁行业产能置换实施细则》,规定企业内部退出转炉建设电炉且一并退出配套的烧结、焦炉、高炉等设备项目的炼钢产能,退出和建设冶炼设备均为电炉的项目,不改变冶炼设备类型、容量(积)、数量的厂区内部技术改造项目,退出配套烧结、焦炉、高炉等设备建设氢冶金和Corex、Finex、HIsmelt等非高炉炼铁项目的炼铁产能,利用回转窑-矿热炉-AOD炉工艺生产不锈钢的炼钢产能等5种情形的建设项目,可实施等量置换;完成实质性兼并重组(实现实际控股且完成法人或法人隶属关系、股权关系、章程等登记及备案)后取得的合规产能用于项目建设的,可以按不低于1.25:1置换比例减量置换;其它情形的钢铁冶炼建设项目按不低于1.5:1 置换比例减量置换。
全省严禁增加钢铁产能总量,禁止在合规园区外新建、扩建钢铁冶炼项目。















